تقدم الشركة الصينية ZEN محركًا عالي الجودة YE3/IE3 محركًا غير متزامن ثلاثي الطور. تم تصميم هذا المحرك وفقًا لمعايير IEC 60034 الصارمة، وهو مجهز بمحامل NSK، وتصميم مغلق بالكامل لتبريد الهواء (IC411)، وتصنيف IP55 وعزل من الفئة F، مما يضمن التشغيل المستقر في درجات الحرارة المحيطة حتى +50 درجة مئوية.
Высококачественный двигатель ZEN Трёхфазный асинхронный двигатель YE3/IE3 с непрерывным режимом работы S1 надёжен для систем пожаротушения благодаря стабильной энергоэффективности и полностью закрытой защите. Свяжитесь с нами для получения более подробной информации об этом двигателе, прошедшем международную сертификацию.
| نموذج |
Власть |
دورة في الدقيقة | η | η | η | كوسφ | A | Nm | نهاية الخبر / تينيسي | تماكس / تينيسي | موجود/في | dB(A) | كلغ | |||
| kw | حصان | 1/دقيقة | % | 75% | 50% | 380 فولت | 400 فولت | 415 فولت | ||||||||
| YE3-801-2 | 0.75 | 1 | 2880 | 80.7 | 80.7 | 79.1 | 0.82 | 1.72 | 1.64 | 1.58 | 2.49 | 2.3 | 2.3 | 7 | 73 | 18.1 |
| YE3-802-2 | 1.1 | 1.5 | 2880 | 82.7 | 82.7 | 81 | 0.83 | 2.43 | 2.31 | 2.23 | 3.65 | 2.2 | 2.3 | 7.3 | 73 | 19.5 |
| YE3-90S-2 | 1.5 | 2 | 2895 | 84.2 | 84.2 | 82.5 | 0.84 | 3.22 | 3.06 | 2.95 | 4.95 | 2.2 | 2.3 | 7.6 | 76 | 23.3 |
| YE3-90L-2 | 2.2 | 3 | 2895 | 85.9 | 85.9 | 84.2 | 0.85 | 4.58 | 4.35 | 4.19 | 7.26 | 2.2 | 2.3 | 7.6 | 77 | 27.1 |
| YE3-100L-2 | 3 | 4 | 2895 | 87.1 | 87.1 | 85.4 | 0.87 | 6.02 | 5.71 | 5.51 | 9.9 | 2.2 | 2.3 | 7.8 | 79 | 38.8 |
| YE3-112M-2 | 4 | 5.5 | 2905 | 88.1 | 88.1 | 86.3 | 0.88 | 7.84 | 7.45 | 7.18 | 13.1 | 2.2 | 2.3 | 8.3 | 80 | 48.3 |
| YE3-132S1-2 | 5.5 | 7.5 | 2930 | 89.2 | 89.2 | 87.4 | 0.88 | 10.6 | 10.1 | 9.75 | 17.9 | 2 | 2.3 | 8.3 | 83 | 55.1 |
| YE3-132S2-2 | 7.5 | 10 | 2930 | 90.1 | 90.1 | 88.3 | 0.88 | 14.4 | 13.7 | 13.2 | 24.4 | 2 | 2.3 | 7.9 | 84 | 69.2 |
| YE3-160M1-2 | 11 | 15 | 2945 | 91.2 | 91.2 | 89.4 | 0.89 | 20.6 | 19.6 | 18.9 | 35.7 | 2 | 2.3 | 8.1 | 87 | 113 |
| YE3-160M2-2 | 15 | 20 | 2945 | 91.9 | 91.9 | 90.1 | 0.89 | 27.9 | 26.5 | 25.5 | 48.6 | 2 | 2.3 | 8.1 | 87 | 123 |
| YE3-160L-2 | 18.5 | 25 | 2940 | 92.4 | 92.4 | 90.6 | 0.89 | 34.2 | 32.5 | 31.3 | 60.1 | 2 | 2.3 | 8.2 | 90 | 142 |
| YE3-180M-2 | 22 | 30 | 2955 | 92.7 | 92.7 | 90.8 | 0.89 | 40.5 | 38.5 | 37.1 | 71.1 | 2 | 2.3 | 8.2 | 90 | 182 |
| YE3-200L1-2 | 30 | 40 | 2960 | 93.3 | 93.3 | 91.4 | 0.89 | 54.9 | 52.1 | 50.3 | 96.8 | 2 | 2.3 | 7.6 | 91 | 246 |
| YE3-200L2-2 | 37 | 50 | 2960 | 93.7 | 93.7 | 91.8 | 0.89 | 67.4 | 64 | 61.7 | 119.4 | 2 | 2.3 | 7.6 | 91 | 265 |
| YE3-225M-2 | 45 | 60 | 2965 | 94 | 94 | 92.1 | 0.9 | 80.8 | 76.8 | 74 | 144.9 | 2 | 2.3 | 7.7 | 93 | 323 |
| YE3-250M-2 | 55 | 75 | 2970 | 94.3 | 94.3 | 92.4 | 0.9 | 98.5 | 93.5 | 90.2 | 176.9 | 2 | 2.3 | 7.7 | 93 | 413 |
| YE3-280S-2 | 75 | 100 | 2975 | 94.7 | 94.7 | 92.8 | 0.9 | 134 | 127 | 122 | 240.8 | 1.8 | 2.3 | 7.1 | 94 | 546 |
| YE3-280M-2 | 90 | 125 | 2975 | 95 | 95 | 93.1 | 0.9 | 160 | 152 | 146 | 288.9 | 1.8 | 2.3 | 7.1 | 94 | 569 |
| YE3-315S-2 | 110 | 150 | 2978 | 95.2 | 95.2 | 93.3 | 0.9 | 195 | 185 | 179 | 352.8 | 1.8 | 2.3 | 7.1 | 94 | 897 |
| YE3-315M-2 | 132 | 180 | 2978 | 95.4 | 95.4 | 93.5 | 0.9 | 234 | 222 | 214 | 423.3 | 1.8 | 2.3 | 7.1 | 95 | 1029 |
| YE3-315L1-2 | 160 | 220 | 2980 | 95.6 | 95.6 | 93.7 | 0.91 | 279 | 265 | 256 | 512.8 | 1.8 | 2.3 | 7.2 | 95 | 1067 |
| YE3-315L2-2 | 200 | 270 | 2980 | 95.8 | 95.8 | 93.9 | 0.91 | 349 | 331 | 319 | 640.9 | 1.8 | 2.2 | 7.2 | 95 | 1194 |
| YE3-355M-2 | 250 | 340 | 2982 | 95.8 | 95.8 | 93.9 | 0.91 | 436 | 414 | 399 | 800.6 | 1.6 | 2.2 | 7.2 | 103 | 1685 |
| YE3-355L-2 | 315 | 430 | 2982 | 95.8 | 95.8 | 93.9 | 0.91 | 549 | 522 | 503 | 1009 | 1.6 | 2.2 | 7.2 | 103 | 1734 |
| نموذج | قوة | دورة في الدقيقة | η | η | η | كوسφ | A | Nm | نهاية الخبر / تينيسي | تماكس / تينيسي | موجود/في | dB(A) | كلغ | |||
| kw | حصان | 1/دقيقة | % | 75% | 50% | 380 فولت | 400 فولت | 415 فولت | ||||||||
| YE3-801-4 | 0.55 | 0.75 | 1400 | 80.8 | 80.8 | 79.2 | 0.75 | 1.38 | 1.31 | 1.26 | 3.75 | 2.4 | 2.3 | 5.2 | 63 | 17.6 |
| YE3-802-4 | 0.75 | 1 | 1420 | 82.5 | 82.5 | 80.9 | 0.75 | 1.84 | 1.75 | 1.69 | 5.04 | 2.3 | 2.3 | 6.6 | 63 | 18.4 |
| YE3-90S-4 | 1.1 | 1.5 | 1445 | 84.1 | 84.1 | 82.4 | 0.76 | 2.61 | 2.48 | 2.39 | 7.27 | 2.3 | 2.3 | 6.8 | 66 | 24.2 |
| YE3-90L-4 | 1.5 | 2 | 1445 | 85.3 | 85.3 | 83.6 | 0.77 | 3.47 | 3.3 | 3.18 | 9.91 | 2.3 | 2.3 | 7 | 66 | 29.7 |
| YE3-100L1-4 | 2.2 | 3 | 1450 | 86.7 | 86.7 | 85 | 0.81 | 4.76 | 4.52 | 4.36 | 14.6 | 2.3 | 2.3 | 7.6 | 68 | 41.5 |
| YE3-100L2-4 | 3 | 4 | 1450 | 87.7 | 87.7 | 85.9 | 0.82 | 6.34 | 6.02 | 5.8 | 20 | 2.3 | 2.3 | 7.6 | 68 | 46 |
| YE3-112M-4 | 4 | 5.5 | 1450 | 88.6 | 88.6 | 86.8 | 0.82 | 8.37 | 7.95 | 7.66 | 26.5 | 2.2 | 2.3 | 7.8 | 72 | 63.2 |
| YE3-132S-4 | 5.5 | 7.5 | 1460 | 89.6 | 89.6 | 87.8 | 0.83 | 11.2 | 10.7 | 10.3 | 36 | 2 | 2.3 | 7.9 | 74 | 71.2 |
| YE3-132M-4 | 7.5 | 10 | 1460 | 90.4 | 90.4 | 88.6 | 0.84 | 15 | 14.3 | 13.7 | 49.1 | 2 | 2.3 | 7.5 | 77 | 85.1 |
| YE3-160M-4 | 11 | 15 | 1465 | 91.4 | 91.4 | 89.6 | 0.85 | 21.5 | 20.4 | 19.7 | 71.7 | 2.2 | 2.3 | 7.7 | 78 | 121 |
| YE3-160L-4 | 15 | 20 | 1465 | 92.1 | 92.1 | 90.3 | 0.86 | 28.8 | 27.3 | 26.3 | 97.8 | 2.2 | 2.3 | 7.8 | 82 | 142 |
| YE3-180M-4 | 18.5 | 25 | 1470 | 92.6 | 92.6 | 90.7 | 0.86 | 35.3 | 33.5 | 32.3 | 120.2 | 2 | 2.3 | 7.8 | 82 | 181 |
| YE3-180L-4 | 22 | 30 | 1470 | 93 | 93 | 91.1 | 0.86 | 41.8 | 39.7 | 38.3 | 142.9 | 2 | 2.3 | 7.8 | 82 | 209 |
| YE3-200L-4 | 30 | 40 | 1475 | 93.6 | 93.6 | 91.7 | 0.86 | 56.6 | 53.8 | 51.8 | 194.2 | 2 | 2.3 | 7.3 | 84 | 284 |
| YE3-225S-4 | 37 | 50 | 1485 | 93.9 | 93.9 | 92 | 0.86 | 69.6 | 66.1 | 63.7 | 237.9 | 2 | 2.3 | 7.4 | 85 | 328 |
| YE3-225M-4 | 45 | 60 | 1485 | 94.2 | 94.2 | 92.3 | 0.86 | 84.4 | 80.2 | 77.3 | 289.4 | 2 | 2.3 | 7.4 | 86 | 363 |
| YE3-250M-4 | 55 | 75 | 1485 | 94.6 | 94.6 | 92.7 | 0.86 | 103 | 97.6 | 94.1 | 353.7 | 2.2 | 2.3 | 7.4 | 86 | 442 |
| YE3-280S-4 | 75 | 100 | 1486 | 95 | 95 | 93.1 | 0.88 | 136 | 139 | 125 | 482 | 2 | 2.3 | 6.9 | 89 | 569 |
| YE3-280M-4 | 90 | 125 | 1486 | 95.2 | 95.2 | 93.3 | 0.88 | 163 | 155 | 149 | 578.4 | 2 | 2.3 | 6.9 | 89 | 639 |
| YE3-315S-4 | 110 | 150 | 1488 | 95.4 | 95.4 | 93.5 | 0.89 | 197 | 187 | 180 | 706 | 2 | 2.2 | 7 | 89 | 939 |
| YE3-315M-4 | 132 | 180 | 1488 | 95.6 | 95.6 | 93.7 | 0.89 | 236 | 224 | 216 | 847.2 | 2 | 2.2 | 7 | 92 | 1033 |
| YE3-315L1-4 | 160 | 220 | 1488 | 95.8 | 95.8 | 93.9 | 0.89 | 285 | 271 | 261 | 1027 | 2 | 2.2 | 7.1 | 92 | 1126 |
| YE3-315L2-4 | 200 | 270 | 1490 | 96 | 96 | 94.1 | 0.9 | 352 | 334 | 322 | 1282 | 2 | 2.2 | 7.1 | 92 | 1238 |
| YE3-355M-4 | 250 | 340 | 1490 | 96 | 96 | 94.1 | 0.9 | 440 | 418 | 403 | 1602 | 2 | 2.2 | 7.1 | 101 | 1830 |
| YE3-355L-4 | 315 | 430 | 1490 | 96 | 96 | 94.1 | 0.9 | 554 | 526 | 507 | 2019 | 2 | 2.2 | 7.1 | 101 | 1950 |
|
№ |
وصف | مادة |
| 1 | غطاء المروحة | الحديد الزهر |
| 2 | معجب | بلاستيك |
| 3 | Задний щиток | الحديد الزهر |
| 4 | Задний подшипник | محمل كروي |
| 5 | إطار | الحديد الزهر |
| 6 | الجزء الثابت مع لف | Кремнистая сталь/медь |
| 7 | Ротор | الصلب السيليكون |
| 8 | خدد | الحديد الزهر |
| № | وصف | مادة |
| 9 | Вал | 45#Сталь |
| 10 | درع تحمل أمامي | الحديد الزهر |
| 11 | غطاء تحمل | الحديد الزهر |
| 12 | ختم | ممحاة |
| 13 | بولت | فُولاَذ |
| 14 | تحمل الجبهة | محمل كروي |
| 15 | غطاء تحمل داخلي | الحديد الزهر |
| 16 | Прокладка | ممحاة |
|
№ |
وصف | مادة |
| 17 | Винт | فُولاَذ |
| 18 | Прокладка | ممحاة |
| 19 | Крышка клеммной коробки | الألومنيوم |
| 20 | Клеммная колодка | بلاستيك |
| 21 | Клеммная коробка | الألومنيوم |
| 22 | Заглушка клеммной коробки | بلاستيك |
| 23 | Заводская табличка | الألومنيوم |
| 24 | ختم | ممحاة |
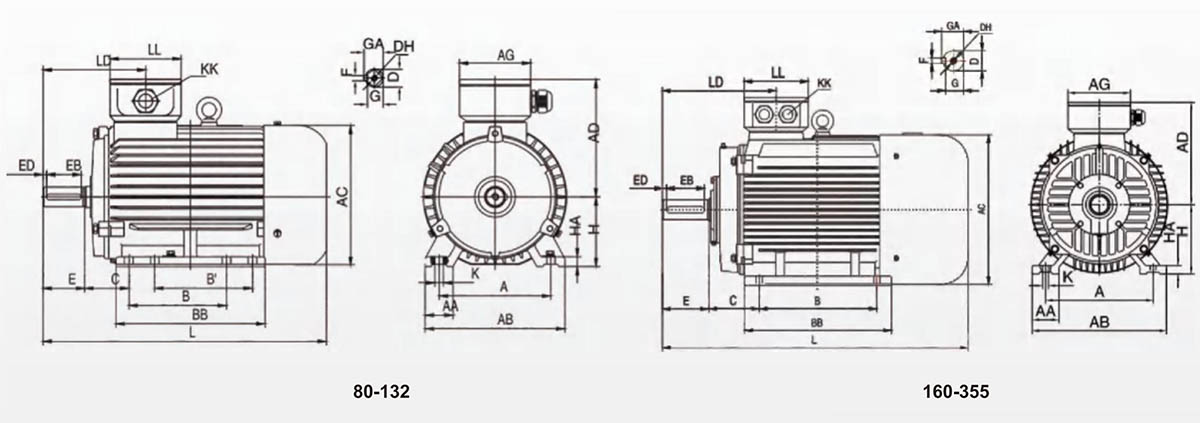
| نموذج |
РАЗМЕРЫ, мм | |||||||||||||||||||||||
| A | أأ | أ.ب | تكييف | إعلان | اي جي | B | BB | C | D | DH | E | إب | ED | F | G | GA | H | HA | K | KK | L | إل دي | LL | |
| 80 | 125 | 34 | 160 | 167 | 147 | 102 | 100 | 150 | 50 | 19 | M6X16 | 40 | 30 | 2.5 | 6 | 15.5 | 21.5 | 80 | 10 | 4-Φ10 | 1-M25X1.5 | 304 | 119 | 102 |
| 90S | 140 | 36 | 176 | 182.4 | 154.5 | 102 | 100 | 161 | 56 | 24 | M8X19 | 50 | 40 | 5 | 8 | 20 | 27 | 90 | 12 | 4-Φ10 | 1-M25X1.5 | 336 | 143 | 102 |
| 90L | 140 | 36 | 176 | 182.4 | 154.5 | 102 | 125 | 186 | 56 | 24 | M8X19 | 50 | 40 | 5 | 8 | 20 | 27 | 90 | 12 | 4-f10 | 1-M25X1.5 | 361 | 143 | 102 |
| 100L | 160 | 40 | 200 | 205.4 | 166 | 102 | 140 | 213 | 63 | 28 | M10X22 | 60 | 50 | 5 | 8 | 24 | 31 | 100 | 14 | 4-Φ12 | 1-M32X1.5 | 406 | 147 | 102 |
| 112 م | 190 | 50 | 240 | 230 | 188 | 118 | 140 | 188 | 70 | 28 | M10X22 | 60 | 50 | 5 | 8 | 24 | 31 | 112 | 15 | 4-f12 | 2-M32X1.5 | 394 | 147 | 110 |
| 132س | 216 | 55 | 265 | 258.4 | 203 | 118 | 140 | 186 | 89 | 38 | M12X28 | 80 | 65 | 5 | 10 | 33 | 41 | 132 | 18 | 4-f12 | 2-M32X1.5 | 438 | 172 | 110 |
| 132M | 216 | 55 | 265 | 258.4 | 203 | 118 | 178 | 224 | 89 | 38 | M12X28 | 80 | 65 | 7.5 | 10 | 33 | 41 | 132 | 18 | 4-f12 | 2-M32X1.5 | 476 | 172 | 110 |
| 160M | 254 | 65 | 314 | 314 | 251 | 162 | 210 | 260 | 108 | 42 | M16X36 | 110 | 90 | 7.5 | 12 | 37 | 45 | 160 | 20 | 4-φ14.5 | 2-M40X1.5 | 608 | 256 | 152 |
| 160L | 254 | 65 | 314 | 314 | 251 | 162 | 254 | 304 | 108 | 42 | M16X36 | 110 | 90 | 10 | 12 | 37 | 45 | 160 | 20 | 4-φ14.5 | 2-M40X1.5 | 652 | 256 | 152 |
| 180M | 279 | 70 | 349 | 355 | 267 | 162 | 241 | 311 | 121 | 48 | M16X36 | 110 | 90 | 10 | 14 | 42.5 | 51.5 | 180 | 22 | 4-φ14.5 | 2-M40X1.5 | 688 | 271 | 152 |
| 180 لتر | 279 | 70 | 349 | 355 | 267 | 162 | 279 | 349 | 121 | 48 | M16X36 | 110 | 90 | 10 | 14 | 42.5 | 51.5 | 180 | 22 | 4-φ14.5 | 2-M40X1.5 | 726 | 271 | 152 |
| 200L | 318 | 70 | 388 | 397 | 299 | 210 | 305 | 369 | 133 | 55 | M20X42 | 110 | 100 | 10 | 16 | 49 | 59 | 200 | 25 | 4-Φ18.5 | 2-M50X1.5 | 779 | 296 | 190 |
| 225S | 356 | 75 | 431 | 446 | 322 | 210 | 286 | 368 | 149 | 60 | M20X42 | 140 | 125 | 5 | 18 | 53 | 64 | 225 | 28 | 4-φ18.5 | 2-M50X1.5 | 824 | 329 | 190 |
| 225 م | 356 | 75 | 431 | 446 | 322 | 210 | 311 | 393 | 149 | 55 | M20X42 | 110 | 100 | 7.5 | 16 | 49 | 59 | 225 | 28 | 4-φ18.5 | 2-M50X1.5 | 819 | 299 | 190 |
| 250M | 406 | 80 | 484 | 485 | 358 | 248 | 349 | 445 | 168 | 60 | M20X42 | 140 | 125 | 7.5 | 18 | 53 | 64 | 250 | 30 | 4-f24 | 2-M63X1.5 | 910 | 347 | 218 |
| 280S | 457 | 85 | 542 | 547 | 387 | 248 | 368 | 485 | 190 | 65 | M20X42 | 140 | 125 | 7.5 | 18 | 58 | 69 | 280 | 35 | 4-f24 | 2-M63X1.5 | 982 | 355.5 | 218 |
| 280 م | 457 | 85 | 542 | 547 | 387 | 248 | 419 | 536 | 190 | 65 | M20X42 | 140 | 125 | 7.5 | 18 | 58 | 69 | 280 | 35 | 4-f24 | 2-M63X1.5 | 1033 | 355.5 | 218 |
| 315S | 508 | 120 | 628 | 620 | 527 | 320 | 406 | 570 | 216 | 65 | M20X42 | 140 | 125 | 7.5 | 18 | 58 | 69 | 315 | 45 | 4-ص28 | 2-M63X1.5 | 1194 | 397 | 280 |
| 315M | 508 | 120 | 628 | 620 | 527 | 320 | 457 | 680 | 216 | 65 | M20X42 | 140 | 125 | 7.5 | 18 | 58 | 69 | 315 | 45 | 4-ص28 | 2-M63X1.5 | 1304 | 397 | 280 |
| 315L | 508 | 120 | 628 | 620 | 527 | 320 | 508 | 680 | 216 | 65 | M20X42 | 140 | 125 | 7.5 | 18 | 58 | 69 | 315 | 45 | 4-ص28 | 2-M63X1.5 | 1304 | 397 | 280 |
| 355M | 610 | 116 | 726 | 698 | 642 | 380 | 560 | 750 | 254 | 75 | M20X42 | 140 | 130 | 5 | 20 | 67.5 | 79.5 | 355 | 52 | 6-Φ28 | 2-M63X1.5 | 1486 | 414 | 330 |
| 355L | 610 | 116 | 726 | 698 | 642 | 380 | 630 | 750 | 254 | 75 | M20X42 | 140 | 130 | 5 | 20 | 67.5 | 79.5 | 355 | 52 | 6-φ28 | 2-M63X1.5 | 1486 | 414 | 330 |